
Контроллер АКС для промышленного выращивания грибов разработан для автоматического контроля микроклимата в камерах выращивания большинства видов грибов: шампиньон (Agaricus), вешенка (Pleurotus), шиитаке (Lentinula edodes) и т.д. Контроллер управляет климатической установкой, приточным и вытяжным вентилятором, воздушными заслонками по комплексному анализу параметров температур компоста (субстрата) в четырех и более точках, температур воздуха в климатической установке в трех и более точках, температуры, относительной влажности и концентрации углекислого газа в воздухе камеры выращивания грибов. Микроклимат контролируется с помощью наружного воздуха, циркуляции, охлаждения, обогрева, осушения и увлажнения. Индивидуальный алгоритм управления разработан для каждой из семи подфаз выращивания. Процесс управления может проходить как в ручном, так и в полностью автоматическом режиме. АКС выполняет полный цикл выращивания: с момента загрузки нового компоста до его выгрузки.
Контроллер может быть подключен к компьютерной сети по интерфейсу RS485.
Программное обеспечение TechnologSoft Mushroom Edition, устанавливаемое на компьютере, позволяет контролировать и управлять климатом в камерах выращивания. Удаленный доступ к управлению также возможен через Интернет с помощью TeamViewer.
Функции
- Измерение температуры компоста по четырем и более датчикам температуры
- Вычисление и индикация средней температуры компоста по четырем и более датчикам
- Измерение температуры воздуха в камере и в нескольких точках климатической установки
- Измерение относительной влажности воздуха в камере выращивания
- Регулирование концентрации СО2 в воздухе
- Автоматическое увлажнением/осушением воздуха в камере выращивания
- Автоматическое управление нагревом/охлаждением воздуха и компоста в камере выращивания
- Возможность использования наружного воздуха для охлаждения/осушения в камере
- Автоматическая поддержание заданной скорости изменения температуры компоста и воздуха
- Поддержание заданных параметров в ручном или автоматическом режиме
- Программная установка параметров, режимов и приоритетов регулирования для каждой из семи рабочих подфаз выращивания
- Автоматический или ручной переход между подфазами по заданным параметрам микроклимата
- Диагностика состояния датчиков и исполнительных устройств
- Работа с датчиком температуры и влажности наружного воздуха (метеодатчиком) по RS485
- Аварийная сигнализация отклонений измеряемых параметров
- Передача данных на компьютер по интерфейсу RS485
- Сохранение настроек и параметров управления в энергонезависимой памяти
- Удаленное управление процессом выращивания через компьютер и Интернет​
Основные характеристики
| Диапазон измеряемой температуры | 0…100 °С |
| Погрешность измерения температуры | 0,1°C |
| Диапазон измерения относительной влажности воздуха | 40…100% |
| Погрешность измерения относительной влажности воздуха | не более 2 % |
| Напряжение питания | 220 В±10% |
| Потребляемая мощность | не более 18 Вт |
| Габаритный размер (ВxШxГ) | 500х420х130 мм |
Особенности и структура контроллера
Контроллер АКС состоит из регулятора на DIN рейке, установленного внутри пластикового щита и панели оператора с TFT дисплеем на лицевой части.
В состав щита также входит: два блока питания по 24В, один блок питания 12В, сетевой фильтр, переключатель подачи сетевого питания, внешние кнопки задания режимов отображения и аварийные лампочки. Контроллер имеет резервные входы и выходы, что также позволяет подключать к контроллеру дополнительные, отличные от стандартной комплектации датчики и устройства.
Контроллер АКС может поставляться совместно с ПО TechnologSoft для удаленного управления. Все это позволяет при необходимости подобрать индивидуальную конфигурацию контроллера под конкретные технические особенности объекта и пожелания заказчика.
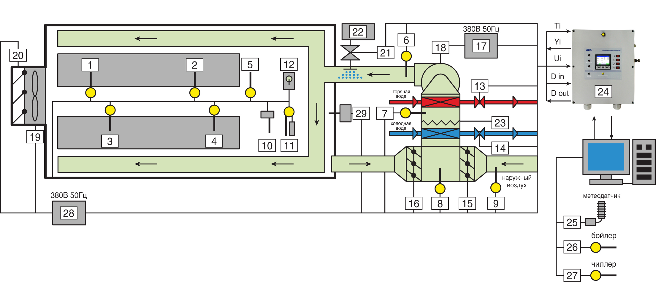
Схема управления микроклиматом камеры выращивания

1…4 — Датчики температуры компоста
5 — Датчик температуры воздуха в камере
6 — Датчик температуры воздуха подачи
7 — Датчик температуры воздуха после холодного калорифера
8 — Датчик температуры смешанного воздуха
9 — Датчик температуры наружного воздуха8 — Датчик температуры смешанного воздуха
10 — Датчик влажности воздуха (емкостный, для вешенки)
11 — Аспирационный психрометр
12 — Датчик (трубка забора) СО2
13 — Регулирующий клапан горячей воды
14 — Регулирующий клапан холодной воды
15 — Заслонка свежего воздуха
16 — Заслонка рециркуляции
17 — Преобразователь частоты
18 — Приточный вентилятор
19 — Вытяжной вентилятор
20 — Заслонка избыточного давления
21 — Клапан увлажнителя
22 — Увлажнитель
23 — Каплеуловитель
24 — АКС Контроллер
25 — Метеодатчик температуры и влажности наружного воздуха
26 — Датчик температуры горячей воды
27 — Датчик температуры холодной воды
28 — Преобразователь частоты
29 — Регулятор давления