Контроллер РТ-МВ используется для управления упрощенным процессом выращивания на небольших фермах а также в контейнерах для выращивания грибов, таких как шампиньон (Agaricus), вешенка (Pleurotus) и шиитаке (Lentinula edodes).
Конструкция
РТ-МВ Контроллер расположен в пластиковом герметичном щите управления с наружными переключателями для установки различных режимов работы. В состав входит: блоки питания, сетевой фильтр, предохранители, переключатели, кнопки, светодиодные лампы, клеммники, провода, гермовводы.
Для выращивания шампиньона РТ-МВ поставляется совместно с встроенным преобразователем содержания СО2 и насосом.
Для вешенки преобразователь СО2 устанавливается в камере выращивания отдельно и не входит в комплектацию РТ-МВ.
Функции
- Измерение температуры воздуха в камере выращивания
- Измерение относительной влажности воздуха в камере выращивания с помощью аспирационного психрометра
- Измерение относительной влажности воздуха в камерах выращивания с помощью емкостного датчика
- Измерение температуры компоста (субстрата) в четырех точках
- Измерение содержания СО2
- Измерение температуры подаваемого воздуха
- Измерение температуры наружного воздуха
- Управление нагревателем (исполнительные устройства: 0-10В, трехточка, открытие/закрытие)
- Управление охладителем (исполнительные устройства: 0-10В, трехточка, открытие/закрытие)
- Управление заслонками наружного воздуха и рециркуляции (исполнительные устройства: 0-10В, трехточка)
- Управление увлажнителем (исполнительные устройства: 0-10В, трехточка, открытие/закрытие)
- Выбор регулируемой температуры (компост/воздух/компост+воздух)
- Выбор назначения заслонки наружного воздуха (понижение содержания СО2/охлаждение)
- Изменение температуры с заданной скоростью
- Аварийная сигнализация
- Формирование журнала событий и аварий
- Удаленное управление процессом выращивания через компьютер и Интернет
Базовая спецификация
| Диапазон измеряемой температуры | 0…100°С |
| Погрешность измерения температуры | 0.2°С |
| Погрешность измерения содержания СО2 | 85 PPM |
| Диапазон измерения относительной влажности | 70…100% |
| Погрешность измерения относительной влажности | не более 2% |
| Напряжение питания | 90…242 В |
| Потребляемая мощность | не более 3 Вт |
| Габаритный размер (ВxШxГ) | 155×90х60 мм |
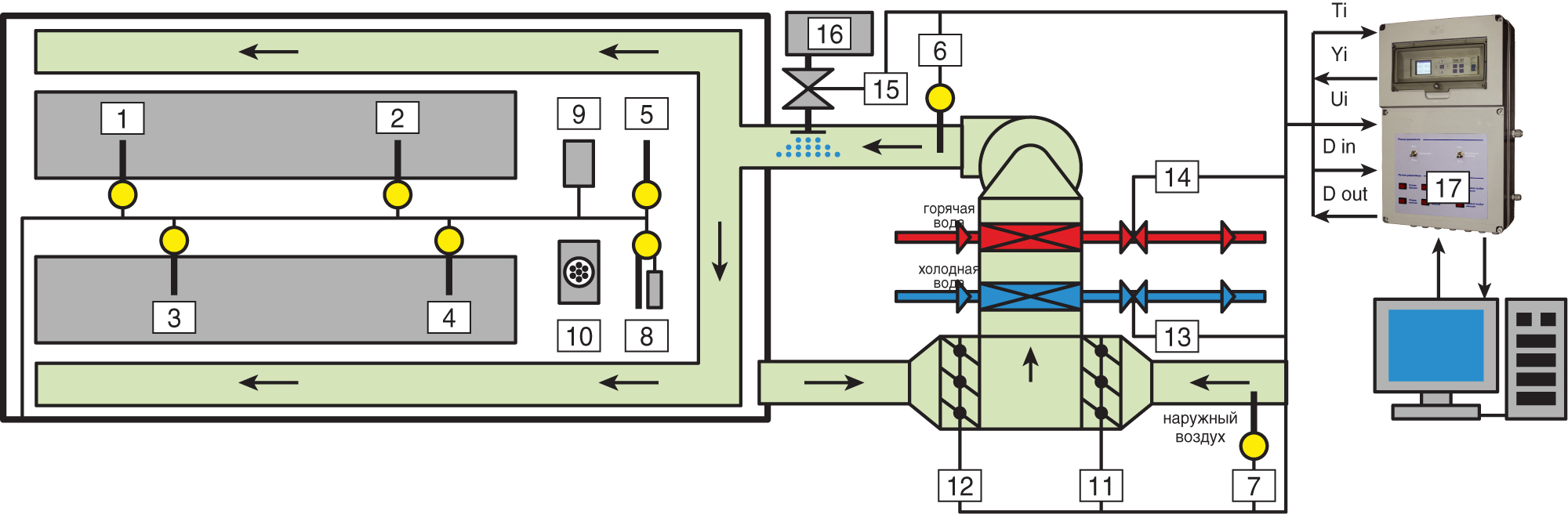
Схема упрощенного управления микроклиматом в камере выращивания

1…4 — Датчики температуры компоста
5 — Датчик температуры компоста
6 — Датчик подаваемого воздуха
7 — Датчик температуры наружного воздуха
8 — Аспирационный психометр
9 — Емкостный датчик влажности
10 — Датчик СО2
11 — Заслонка наружного воздуха
12 — Заслонка рециркуляции
13 — Регулирующий клапан холодной воды
14 — Регулирующий клапан горячей воды
15 — Регулирующий клапан увлажнения
16 — Увлажнитель
