Автоматизовані системи керування мікрокліматом у грибівництві

Контролер для спрощеного вирощування

23/12/2022

Контролер РТ-МВ використовується для управління спрощеним процесом вирощування на невеликих фермах а також у контейнерах для вирощування грибів, таких як печериця (Agaricus), глива (Pleurotus) та шиїтаке (Lentinula edodes).

Конструкція

РТ-МВ Контролер розташований у пластиковому герметичному. щиті керування із зовнішніми перемикачами для встановлення різних режимів роботи. До складу входить: блоки живлення, мережевий фільтр, запобіжники, перемикачі, кнопки, світлодіодні лампи, клемники, дроти, гермовводи.

Для вирощування печериці РТ-МВ поставляється спільно з вбудованим перетворювачем вмісту СО2 та насосом. Для гливи перетворювач СО2 встановлюється в камері вирощування окремо і не входить до комплектації РТ-МВ.

Функції

  • Вимір температури в камері вирощування
  • Вимірювання відносної вологості повітря в камері вирощування за допомогою аспіраційного психрометра
  • Вимірювання відносної вологості повітря в камерах вирощування за допомогою ємнісного датчика
  • Вимірювання температури компосту (субстрату) у чотирьох точках
  • Вимір змісту СО2
  • Вимірювання температури повітря, що подається
  • Вимір температури зовнішнього повітря
  • Управління нагрівачем (виконавчі пристрої: 0-10В, триточка, відкриття/закриття)
  • Керування охолоджувачем (виконавчі пристрої: 0-10В, триточка, відкриття/закриття)
  • Управління заслінками зовнішнього повітря та рециркуляції (виконавчі пристрої: 0-10В, триточки)
  • Управління зволожувачем (виконавчі пристрої: 0-10В, триточка, відкриття/закриття)
  • Вибір регульованої температури (компост/повітря/компост+повітря)
  • Вибір призначення заслінки зовнішнього повітря (зниження вмісту СО2/охолодження)
  • Зміна температури із заданою швидкістю
  • Аварійна сигналізація
  • Формування журналу подій та аварій
  • Віддалене керування процесом вирощування через комп’ютер та Інтернет

Базовая спецификация

Діапазон вимірюваної температури 0…100°С
Похибка вимірювання температури 0.2°С
Похибка вимірювання вмісту СО2 85 PPM
Діапазон вимірювання відносної вологості 70…100%
Похибка вимірювання відносної вологості не більше 2%
Напруга живлення 90…242 В
Споживана потужність не більше 3 Вт
Габаритний розмір (ВxШxГ) 155×90х60 мм

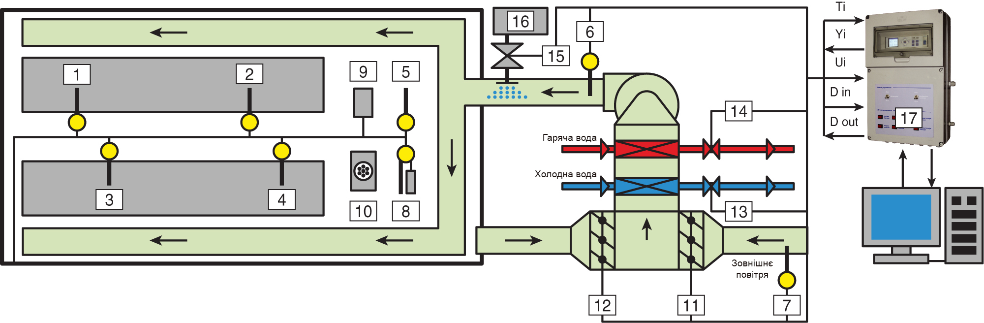
Схема спрощеного керування мікрокліматом у камері вирощування

image

1…4 – Датчики температури компосту
5 – Датчик температури компосту
6 – Датчик повітря, що подається
7 – Датчик температури зовнішнього повітря
8 – Аспіраційний психометр
9 – Ємнісний датчик вологості
10 – Датчик СО2

11 – Заслінка зовнішнього повітря
12 – Заслінка рециркуляції
13 – Регулюючий клапан холодної води
14 – Регулюючий клапан гарячої води
15 – Регулюючий клапан зволоження
16 – Зволожувач

Техопис Інструкція з експлуатації Повний каталог